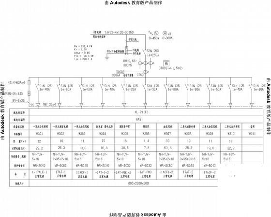
14层商业住宅楼电气CAD施工图纸(计算机网络系统)
- 发布时间:2022-10-17
- 评论次数:0
- 浏览次数:0
- 文件大小:3.51 MB
- 收藏次数:0
- 
								文件名称: 附件-995856558959890058557.rar 附件-995856558959890058557.rar
								相关下载
							
						- 14层板式住宅楼电气CAD施工图纸(计算机网络系统)
- 小区18层住宅楼电气CAD施工图纸(计算机网络系统)
- 小区18层住宅楼电气CAD施工图纸(计算机网络系统)
- 住宅小区电气CAD施工图纸(计算机网络系统)
- 综合楼电气施工方案(计算机网络系统)
- 6层住宅楼电CAD施工图纸(计算机网络系统)
- 4层综合商业步行街电气CAD施工图纸106张(计算机网络系统)(dwg)
- 住宅小区电气设计CAD施工图纸(计算机网络系统)
- 单层景区提升工程电气CAD施工图纸(人防)(计算机网络系统)
- 医院弱电工程电气CAD施工图纸(计算机网络系统)
- 大学5层教学楼电气CAD施工图纸(计算机网络系统)
- 2层医院弱电工程电气CAD施工图纸(计算机网络系统)
- 学校两层综合楼电气CAD施工图纸(计算机网络系统)
- 两层别墅CAD施工图纸(计算机网络系统)
- 度假区B型高层住宅电气CAD图纸(计算机网络系统)()
- 度假区A型高层住宅电气CAD图纸(计算机网络系统)()
- 行政中心弱电CAD图纸(计算机网络系统)()
- 地上11层住宅楼电气CAD施工图纸(三级负荷)(计算机网络系统)
- 廉租住宅楼小区2层物业管理用房电气CAD施工图纸(计算机网络系统)
- 14层板式住宅楼电气CAD施工图纸(计算机网络系统)(TN-S)
全部评论
						
							评论网友评论仅友表达个人看法,并不表明本站同意其观点,不得发布违反法律法规的内容!
						
						
 
	              	 
	              	 
	              	 
	              	 
	              	