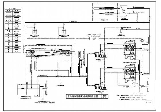
高档别墅会所室内游泳池CAD施工图纸
- 发布时间:2022-10-13
- 评论次数:0
- 浏览次数:0
- 文件大小:0.5 MB
- 收藏次数:0
- 
								文件名称: 附件-995860597575779598786.rar 附件-995860597575779598786.rar
								相关下载
							
						- 高档别墅会所电气设计CAD施工图纸
- 室内带游泳池的别墅建筑CAD图纸
- 3层休闲商业会所给排水CAD施工图纸(室内游泳池)
- 会所室内游泳池给排水设计CAD施工图纸(ppr热水管)
- 会所室内游泳池给排水CAD施工图纸
- 室内游泳池图纸
- 室内游泳池图纸
- 地下上1层会所室内游泳池循环水系统设计图纸
- 会所室内游泳池水电CAD图纸(安装大样图)
- 下1层会所室内游泳池循环水系统设计CAD图纸
- 会所室内游泳池水电全套大样图(设计说明)
- 高档别墅游泳池水处理全套施工图纸(臭氧消毒)
- 高档别墅游泳池水处理CAD施工图纸(臭氧消毒)
- 海室内游泳池图纸
- 室内游泳池设计图纸.
- 高档小区游泳池施工图纸
- 高档小区游泳池CAD施工方案图纸
- 国际会所室内游泳池水处理系统设计施工大样图
- 高档别墅区3层欧式会所建筑施工CAD图纸(节点详图)
- 小区室内游泳池全套施工图纸
全部评论
						
							评论网友评论仅友表达个人看法,并不表明本站同意其观点,不得发布违反法律法规的内容!
						
						
 
	              	 
	              	 
	              	