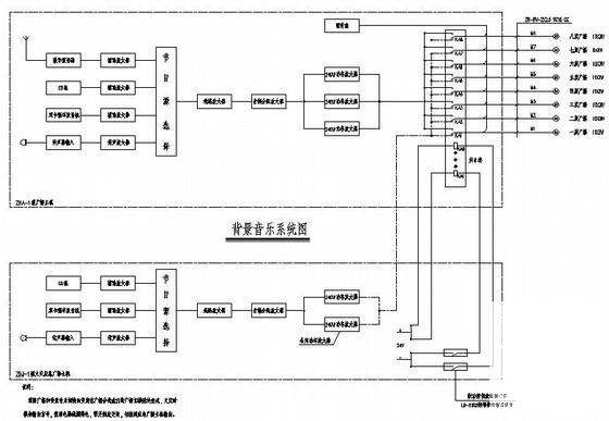
医院9层综合楼电气CAD施工图纸(一级负荷,第二类防雷)
- 发布时间:2022-10-12
- 评论次数:0
- 浏览次数:0
- 文件大小:3.55 MB
- 收藏次数:0
- 
								文件名称: 附件-995856808975897785005.rar 附件-995856808975897785005.rar
								相关下载
							
						- 医院综合病房楼电气图纸(一级负荷)
- 地上7层医院综合楼电气CAD施工图纸(二级负荷,第二类防雷)
- 3层轨道车站站房电气CAD施工图纸(一级,二级负荷,第二类防雷)
- 34层大型商住楼电气CAD施工图纸(一级负荷,第二类防雷)(消防报警及联动)
- 上30层住宅楼电气设计图纸(一级负荷,第二类防雷)
- 29层大厦电气CAD施工图纸(一级负荷)(防雷接地系统)
- 五万平20层综合医院电气CAD施工图纸(三级负荷,第二类防雷)
- 地上6层综合楼电气CAD施工图纸(二级负荷,第二类防雷)
- 17层大型商业综合楼电气CAD施工图纸(二级负荷,第二类防雷)(火灾自动报警)
- 15层商业综合楼电气CAD施工图纸(一级负荷)
- 中学教学综合楼电气CAD施工图纸(一级负荷)
- 16层医院电气设计图纸(一级负荷)
- 11层医院电气设计CAD图纸(一级负荷)(自动报警系统)
- 22层综合楼电气设计图纸(一级负荷)
- 33层剪力墙住宅楼电气CAD施工图纸(车库,一级负荷)(防雷接地)
- 2016传媒影视办公综合楼电气CAD施工图纸(防雷、负荷计算书)
- 26层住宅楼小区电气设计CAD图纸(一级负荷)(防雷接地系统)
- 5层大型商场电气图纸(一级负荷,第三类防雷)
- 医院手术部强电施工图纸(一级负荷)
- 地上8层医院大楼电气CAD施工图纸(一级负荷)(高压配电系统)
全部评论
						
							评论网友评论仅友表达个人看法,并不表明本站同意其观点,不得发布违反法律法规的内容!
						
						
 
	              	 
	              	 
	              	