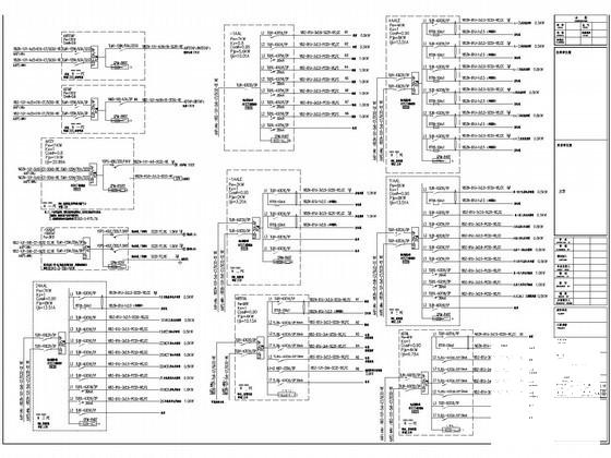
地上26层住宅楼电气CAD施工图纸(三级负荷)(火灾自动报警)
- 发布时间:2022-10-12
- 评论次数:0
- 浏览次数:0
- 文件大小:0.7 MB
- 收藏次数:0
-
文件名称:
附件-995856856680986586788.rar
相关下载
- 23层住宅楼电气CAD施工图纸(车库,三级负荷)(火灾自动报警)
- 6层办公楼电气CAD施工图纸(三级负荷)(火灾自动报警系统)
- 5层图书馆电气CAD施工图纸(三级负荷)(火灾自动报警系统)
- 4层家具城电气CAD施工图纸(三级负荷)(火灾自动报警系统)
- 中学5层综合楼电气CAD施工图纸(三级负荷)(火灾自动报警系统)
- 三级负荷高级中学教学楼电气施工图纸(火灾自动报警)
- 地上4层商业楼电气CAD施工图纸(一级,二级,三级负荷)(火灾自动报警)
- 地上5层钢筋混凝土结构商业建筑电气CAD施工图纸(三级负荷)(火灾自动报警系统)
- 地上9层酒店式公寓电气CAD施工图纸(一级负荷)(火灾自动报警)
- 19层钢筋混凝土结构住宅楼电气CAD施工图纸(三级负荷)(火灾自动报警)
- 13层钢筋混凝土结构住宅楼电气CAD施工图纸(三级负荷,第三类防雷)(火灾自动报警)
- 12层住宅楼建筑电气CAD施工图纸(二级负荷)(火灾自动报警系统)
- 厂房电气设计CAD图纸(二级负荷)(火灾自动报警)
- 地上18层星级酒店电气CAD施工图纸(裙房)(火灾自动报警)
- 地上5层科研楼电气CAD施工图纸(火灾自动报警)
- 19层住宅楼小区电气设计CAD图纸(二级负荷)(火灾自动报警系统)
- 地上6层小区住宅楼电气CAD施工图纸(三级负荷)
- 地上6层住宅楼电气CAD施工图纸(三级负荷)
- 小区地上5层住宅楼电气CAD施工图纸(三级负荷)
- 地上3层住宅楼别墅电气CAD施工图纸(三级负荷)
全部评论
评论网友评论仅友表达个人看法,并不表明本站同意其观点,不得发布违反法律法规的内容!
