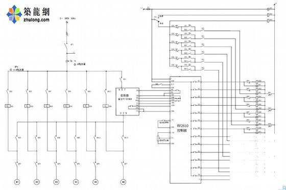
变频恒压供水控制电气原理图纸(一拖六)
- 发布时间:2022-10-10
- 评论次数:0
- 浏览次数:0
- 文件大小:0.77 MB
- 收藏次数:0
-
文件名称:
附件-995857589756866670578.rar
相关下载
- 变频恒压供水控制原理CAD图纸
- 变频恒压供水控制原理CAD图纸
- 一拖一变频恒压供水控制原理CAD图纸
- 变频恒压供水控制原理图纸(一拖四).
- 变频恒压供水控制原理图纸(一拖三).
- 变频恒压供水电气原理图纸(一拖一).
- 变频恒压供水电气原理图纸(一拖二).
- 恒压供水变频器控制原理CAD图纸
- 变频器恒压供水控制原理CAD图纸
- ABB恒压供水变频控制CAD图纸
- 恒压变频控制原理CAD图纸
- 恒压变频控制原理CAD图纸
- 变频器恒压供水控制CAD图纸.
- 7.5KW变频恒压供水控制原理CAD施工图纸(西门子)
- 变频调速恒压给水设备控制原理CAD图纸
- 恒压供水智能表控制原理CAD图纸
- 变频调速恒压给水设备变频柜控制原理图纸.
- 恒压供水电控原理CAD图纸
- 恒压供水电控原理CAD图纸
- 公司恒压供水PLC控制全套图纸
全部评论
评论网友评论仅友表达个人看法,并不表明本站同意其观点,不得发布违反法律法规的内容!
