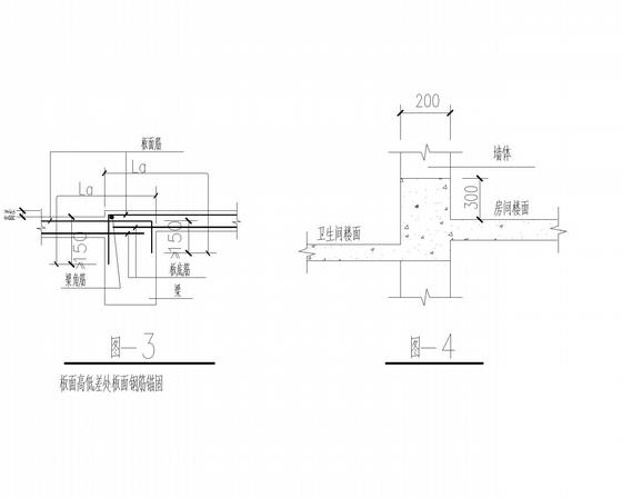
框架结构宾馆会议楼结构设计CAD施工图纸
- 发布时间:2022-09-22
- 评论次数:0
- 浏览次数:0
- 文件大小:0.67 MB
- 收藏次数:0
-
文件名称:
附件-995876750988588575678.zip
相关下载
- 宾馆会议楼框架结构CAD施工图纸
- 地上3层框架宾馆会议楼结构CAD施工图纸(独立基础)
- 地上3层框架政府宾馆会议楼结构CAD施工图纸
- 会议楼
- 会议、宾馆安装工程电气施工方案(消防报警系统)
- 会议楼大跨度斜交井字梁框架结构CAD施工图纸
- 3层框架结构宾馆结构设计施工图纸(6度抗震)
- 3层框架结构条形基础宾馆结构设计施工图纸
- 6层框架结构宾馆结构设计施工图纸
- 8层框架结构宾馆结构设计CAD施工图纸.dwg
- 5层框架结构宾馆结构设计CAD施工图纸.dwg
- 5层框架结构宾馆建筑施工cad图纸_结构设计图
- 3层框架结构宾馆CAD施工图纸
- 9层框架结构宾馆结构设计图纸
- 框架结构14层宾馆结构设计方案图纸(楼梯详图)
- 会议大全CAD图纸
- 3层框架结构会议中心结构施工图纸(桩基础)
- 单层框架结构会议中心结构CAD施工图纸
- 框架结构宾馆结构设计计算书.doc
- 办公楼建筑CAD图纸(会议室)
全部评论
评论网友评论仅友表达个人看法,并不表明本站同意其观点,不得发布违反法律法规的内容!
