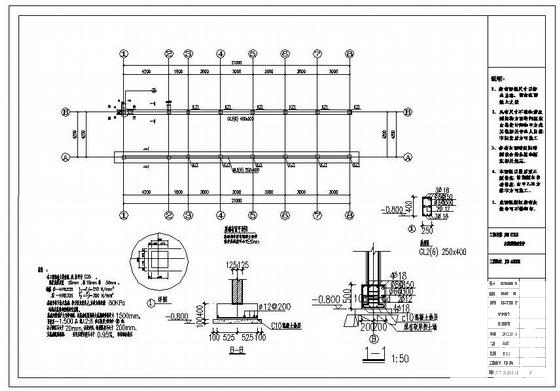
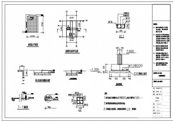
别墅建筑结构设计方案施工图纸(框架剪力墙桩基础)
- 发布时间:2022-09-20
- 评论次数:0
- 浏览次数:0
- 文件大小:2.57 MB
- 收藏次数:0
- 
								文件名称: 附件-995879598587808785878.rar 附件-995879598587808785878.rar
								相关下载
							
						- 2层框架别墅建筑结构设计方案CAD施工图纸
- 3层独立基础框架别墅楼建筑结构CAD施工图纸
- 4层框架结构私人别墅建筑结构CAD施工图纸(独立基础)
- 框架结构别墅毕业设计(建筑结构设计方案图纸)
- 框架别墅建筑结构CAD图纸
- 3层独立基础框架别墅楼建筑结构CAD图纸
- 坡屋顶框架别墅结构设计方案图纸(基础平面图)
- 82.95米高框架剪力墙结构商住两用结构施工图纸(桩筏基础)
- 框架别墅建筑结构套CAD施工图纸
- 3层框架别墅建筑结构施工图纸.
- 3层坡屋顶框架别墅建筑结构设计方案CAD施工图纸
- 3层别墅建筑结构图纸(结构CAD施工图纸、框架剪力墙结构)
- 桩筏基础剪力墙结构住宅结构CAD施工图纸
- 16层剪力墙结构安置房结构CAD施工图纸(桩筏基础)
- 27层剪力墙住宅楼结构CAD施工图纸(桩筏基础)
- 30层剪力墙结构桩筏基础住宅结构CAD施工图纸
- 3层框架别墅建筑结构设计图纸(独立基础)(梁平法施工图)
- 3层别墅基础桩加固及新建地下挡土墙改造施工图纸
- 多层框架公寓建筑结构CAD图纸(独立基础)
- 7层框架别墅结构施工图纸(桩基础)
全部评论
						
							评论网友评论仅友表达个人看法,并不表明本站同意其观点,不得发布违反法律法规的内容!
						
						
 
	              	 
	              	 
	              	