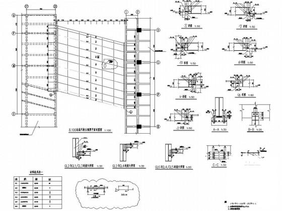
艺术楼天桥钢连廊结构CAD施工图纸
- 发布时间:2022-09-18
- 评论次数:0
- 浏览次数:0
- 文件大小:1.19 MB
- 收藏次数:0
-
文件名称:
附件-995877875696985807777.rar
相关下载
- 艺术楼天桥钢连廊结构CAD施工大样图
- 天桥连廊CAD施工图纸
- 钢连廊结构详图纸2018
- 钢连廊节点详图纸2018
- 钢连廊结构CAD施工方案图纸(2019)
- 人行钢连廊结构CAD施工图纸
- 医院钢构连廊结构CAD施工图纸
- 钢桁架结构连廊节点详图纸2017
- 钢连廊结构设计CAD图纸.dwg
- 6层住院楼钢连廊结构施工图纸2019
- 天桥连廊施工dwg和CAD图纸(配筋图纸)
- 钢连廊详细设计CAD图纸2017
- 钢桁架连廊节点构造CAD详图纸
- 艺术廊施工CAD图
- 廊桥(连廊)结构CAD施工图纸.dwg
- 医院钢构连廊结构施工图纸(独立基础,共4张)
- 钢连廊结构设计施工图纸(独立基础,共10张)
- 钢连廊结构设计方案CAD施工图纸
- 8度区多层钢框架连廊结构CAD施工图纸
- 空间交叉钢框架连廊结构CAD施工图纸(8度抗震)
全部评论
评论网友评论仅友表达个人看法,并不表明本站同意其观点,不得发布违反法律法规的内容!
