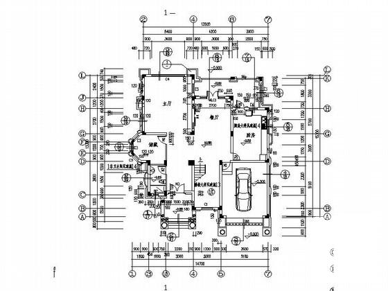
太阳城3层独栋别墅建筑CAD图纸(初设图纸)
- 发布时间:2022-08-07
- 评论次数:0
- 浏览次数:0
- 文件大小:0.38 MB
- 收藏次数:0
- 
								文件名称: 附件-995897879668080509587.rar 附件-995897879668080509587.rar
								相关下载
							
						- 3层独栋别墅建筑CAD图纸(初设图纸)
- 3层私人独栋度假别墅建筑方案扩初CAD初设图纸(效果CAD初设图纸)
- 2层独栋别墅建筑方案设计CAD初设图纸(模型效果CAD初设图纸)
- 2层坡屋顶独栋别墅建筑设计CAD图纸(初设图纸)
- 2层独栋别墅建筑设计CAD图纸(初设图纸)
- 3层独栋别墅建筑施工CAD图纸(初设图纸)
- 两层独栋别墅建筑CAD图纸(初设图纸)
- 3层独栋欧式别墅建筑CAD图纸(初设图纸)
- 临湖2层独栋别墅建筑方案设计初设图纸
- 3层北美风格独栋别墅建筑方案设计初设图纸(南入口、334)
- 3层ardeco风格豪华独栋别墅建筑方案设计CAD初设图纸
- 2层坡屋顶独栋别墅建筑方案设计CAD初设图纸
- 3层独栋欧式别墅建筑方案设计CAD初设图纸
- 3层中式别墅建筑扩初图纸(独栋别墅)
- 太阳城2层独栋别墅建筑施工图纸
- 3层别墅建筑扩初CAD初设图纸(效果CAD初设图纸)
- 2层双拼别墅建筑扩初CAD初设图纸(效果CAD初设图纸)
- 3层山地别墅建筑扩初初设图纸
- 3层别墅建筑方案设计CAD初设图纸(效果CAD初设图纸)
- 3层别墅建筑方案设计CAD初设图纸(效果CAD初设图纸)
全部评论
						
							评论网友评论仅友表达个人看法,并不表明本站同意其观点,不得发布违反法律法规的内容!
						
						
 
	              	 
	              	 
	              	