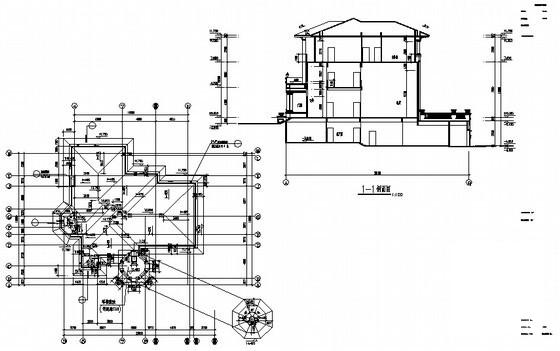
3层欧陆风格高级高尔夫球会C型别墅样板房建筑施工CAD图纸
- 发布时间:2022-08-06
- 评论次数:0
- 浏览次数:0
- 文件大小:4.75 MB
- 收藏次数:0
- 
								文件名称: 附件-995898798958975755787.rar 附件-995898798958975755787.rar
								相关下载
							
						- 高尔夫球会E型欧陆风格独栋别墅样板房建筑施工图纸
- 3层高级高尔夫球会C型别墅样板房建筑施工CAD图纸
- 高级高尔夫球会D型别墅样板房建筑施工CAD图纸
- 高级高尔夫球会G型别墅样板房建筑施工CAD图纸
- 高级高尔夫球会A型别墅样板房建筑施工CAD图纸
- 高级高尔夫球会B型别墅样板房建筑设计CAD施工图纸
- 2层高级高尔夫球会A型别墅样板房建筑施工CAD图纸
- 3层高级高尔夫球会B型别墅样板房建筑施工CAD图纸
- 3层高级高尔夫球会E型别墅样板房建筑施工CAD图纸
- 3层高级高尔夫球会G型别墅样板房建筑施工CAD图纸
- 3层高级高尔夫球会D型别墅样板房建筑施工CAD图纸
- 欧陆风格独栋别墅建筑施工CAD图纸
- 中式风格山庄别墅C区Bla型建筑施工CAD图纸
- 中式风格山庄别墅C区Bsa型建筑CAD图纸
- 高尔夫球会花架CAD施工图纸
- 欧陆风格山庄别墅C区CL-B型建筑CAD图纸(砌体结构9.3m高)
- 2层别墅(C型)建筑CAD施工图纸
- 3层新古典欧陆风格别墅型办公楼建筑方案设计CAD图纸
- 3层别墅(C1型)建筑CAD图纸
- 2层别墅(C4型)建筑CAD图纸
全部评论
						
							评论网友评论仅友表达个人看法,并不表明本站同意其观点,不得发布违反法律法规的内容!
						
						
 
	              	 
	              	 
	              	 
	              	