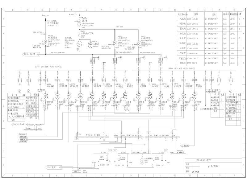
6OOMW机组一次接线全图纸cad
- 发布时间:2022-07-06
- 评论次数:0
- 浏览次数:0
- 文件大小:1.96 MB
- 收藏次数:0
-
文件名称:
附件-996797765557987509.zip
相关下载
- 电能表接线盒接线全CAD图纸
- 自备电站电气一次主接线CAD图纸
- 10KV电气一次接线CAD图纸
- 瓦斯发电电气一次接线CAD图纸
- BAS全空气调节机组监控系统CAD图纸
- 生能热泵机组电气接线CAD图纸
- 机组控制器二次接线CAD图纸
- 卡特3516发电机组DRV接线
- 恒压供水一次二次接线CAD图纸
- 校区变电高压电气一次主接线CAD图纸
- 低压配电系统一次主接线CAD图纸
- 220KV变电站一次主接线CAD图纸
- 配电变压器低压一次接线CAD图纸
- 大学220KV降压变电所一次主接线CAD图纸
- 220kV变电所一次接线CAD图纸
- 酒店高压一次接线及二次原理CAD图纸
- 变电所开关柜一次主接线电气CAD图纸
- 渭河电厂主接线和一次配置电气CAD施工图纸.dwg
- 20KV变电站一次接线设计图纸.dwg
- 电厂2×600MW机组电气主接线CAD图纸
全部评论
评论网友评论仅友表达个人看法,并不表明本站同意其观点,不得发布违反法律法规的内容!
