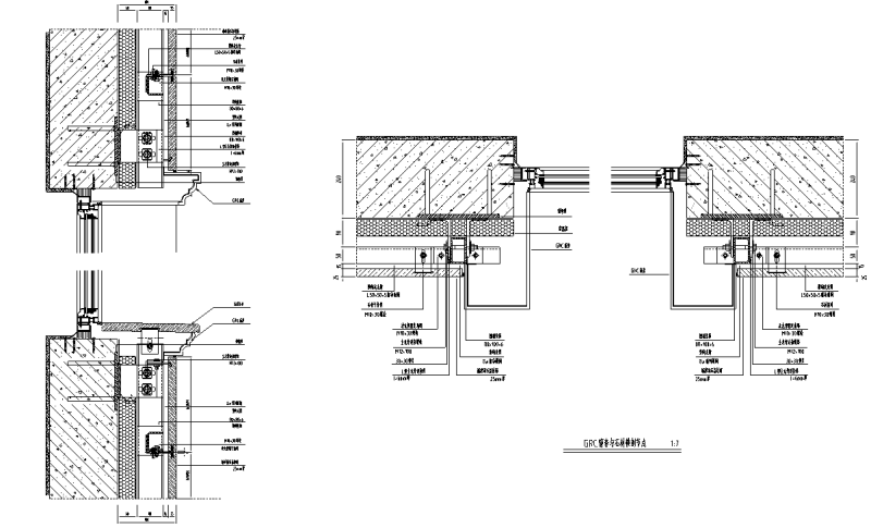
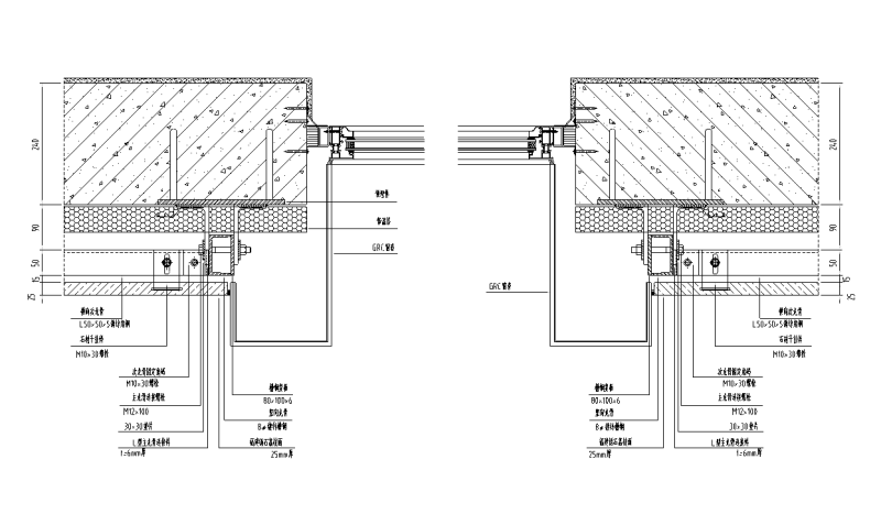
28个石材幕墙节点详图纸cad
- 发布时间:2022-06-02
- 评论次数:0
- 浏览次数:0
- 文件大小:0.73 MB
- 收藏次数:0
-
文件名称:
附件-996789855985899879.rar
相关下载
- 石材幕墙系统节点图纸
- 石材幕墙CAD节点图纸
- 石材幕墙节点CAD图纸
- 干挂石材幕墙节点构造CAD详大样图
- 99个干挂石材幕墙节点CAD详大样图
- 石材幕墙节点详细设计CAD图纸(石材干挂)
- 石材幕墙通用节点大样图纸
- 石材幕墙节点详图纸2019
- 石材幕墙相关详细施工节点图纸
- 石材幕墙节点详细设计CAD图纸
- 石材幕墙干挂节点CAD图纸
- 石材幕墙节点详细设计CAD图纸
- 石材幕墙节点详细设计CAD图纸
- 石材幕墙节点详细设计CAD图纸
- 石材幕墙节点详细设计CAD图纸
- 石材幕墙施工节点CAD详图纸
- 外墙面石材幕墙节点CAD图纸
- 石材幕墙干挂节点CAD图纸
- 石材幕墙节点CAD详图纸
- 石材幕墙节点构造CAD详图纸
全部评论
评论网友评论仅友表达个人看法,并不表明本站同意其观点,不得发布违反法律法规的内容!
