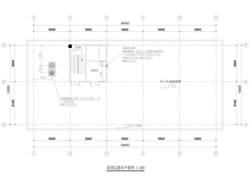
5层村级文化活动中心暖通平面图
- 发布时间:2022-02-20
- 评论次数:0
- 浏览次数:0
- 文件大小:1.71 MB
- 收藏次数:0
-
文件名称:
附件-996595568868600758.dwg
相关下载
- 多层村级文化活动中心建筑施工方案图纸平面图
- 5层村级文化活动中心电气平面图及系统图
- 3层村级文化活动中心电气施工图纸平面图及系统图
- 村级文化活动中心给排水施工图纸平面图及系统图
- 3层村级文化活动中心通风设计施工图纸2020
- 3层村级文化活动中心给排水设计施工图纸2020
- 5层框架结构村级文化活动中心施工大样图平面布置图及剖面图
- 花园文化活动中心给排水CAD图纸
- 学校体育活动中心暖通施工图纸平面图及系统图
- 文化馆和文化活动中心安装工程施工组织设计
- 影剧院文化馆暖通施工图纸
- 2层文化宫采暖通风CAD图纸
- 街道5层文化体育活动中心强电设计图纸
- 居住形态的历史性跨越——红原藏族新村规划(文化活动中心)
- 文化活动中心结构设计CAD施工方案图纸
- 街道5层文化体育活动中心强电CAD图纸(电气照明)
- 体育文化活动中心施工方案图纸CAD平面图及剖面图,立面图
- 村级垃圾站设计CAD图纸(集装箱)
- 村级公路路基路面CAD施工图纸设计
- 3层现代风格幼儿园建筑施工CAD图纸(立面设计优秀)(文化活动中心)
全部评论
评论网友评论仅友表达个人看法,并不表明本站同意其观点,不得发布违反法律法规的内容!
