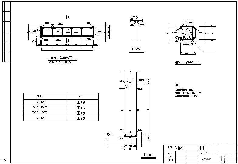
人防封堵大样节点构造设计详图纸
- 发布时间:2022-02-20
- 评论次数:0
- 浏览次数:0
- 文件大小:0.04 MB
- 收藏次数:0
-
文件名称:
附件-996056759850955779.rar
人防封堵大样图下载
- 人防封堵节点详图纸cad
- 人防封堵构造详图纸cad
- 人防内部车道封堵节点构造详图纸
- 人防战时封堵节点构造详图纸
- 人防临战封堵节点构造详细设计CAD图纸
- 人防封堵大样节点构造详图纸cad
- 防火封堵大样图纸
- 5级人防工程平时出入口槽钢临战封堵节点构造详图纸cad
- 6级人防工程相邻防护单元隔墙孔口临战封堵节点构造详图纸cad
- 电气防火封堵节点图纸.
- 6级人防工程平时出入口及孔口临战封堵节点构造详图纸cad
- 六级人防工程平时出入口槽钢临战封堵节点构造详图纸cad
- 6级人防工程平时出入口及孔口临战封堵节点构造详图纸cad
- 内部车道封堵节点构造详图纸
- 电缆防火封堵安装CAD图纸
- 人防楼梯大样图纸2015
- 人防口部大样图纸2018
- 预制构件战时封堵节点构造设计详图纸
- L型楼梯洞口钢结构封堵方案(CAD图纸)
- 战时封堵墙节点构造详图纸cad
全部评论
评论网友评论仅友表达个人看法,并不表明本站同意其观点,不得发布违反法律法规的内容!
