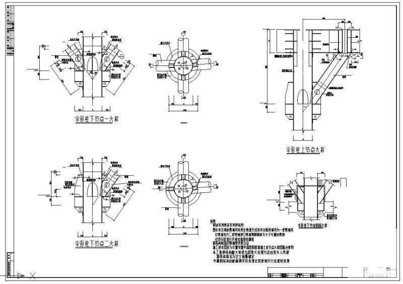
转换层伞形结构节点构造样施工大样图
- 发布时间:2022-02-20
- 评论次数:0
- 浏览次数:0
- 文件大小:0.06 MB
- 收藏次数:0
-
文件名称:
附件-996057657088576886.rar
转换层伞形结构图下载
- 院转换层伞形结构节点大样
- 转换层伞形结构节点大样cad
- 转换层伞形结构节点构造CAD详图纸
- 伞形建筑小品钢结构CAD施工方案图纸
- 31层框支剪力墙高位转换商住楼结构图纸(地下1层)
- 混凝土结构转换层施工
- 转换层结构CAD图纸
- 工程转换层施工方案cad
- 钢筋混凝土倒锥壳伞形水塔施工方案2012
- 5层伞形轻钢屋架采光顶结构设计施工图纸及计算书
- 5层伞形轻钢屋架采光顶结构设计CAD施工图纸及计算书
- 6°区15层高位转换框架剪力墙高层住宅楼结构图纸(平面布置图)
- 7层巨型框架转换结构转换部分结构设计CAD施工图纸
- 高层住宅转换层施工方案
- 箱形转换层结构节点构造详图纸
- 梁式转换层结构设计.pdf
- 高层建筑转换层结构的设计与施工
- 东阳转换层结构设计CAD图纸
- 带转换层异形柱结构CAD施工图纸
- 高层建筑转换层结构设计探讨
全部评论
评论网友评论仅友表达个人看法,并不表明本站同意其观点,不得发布违反法律法规的内容!
