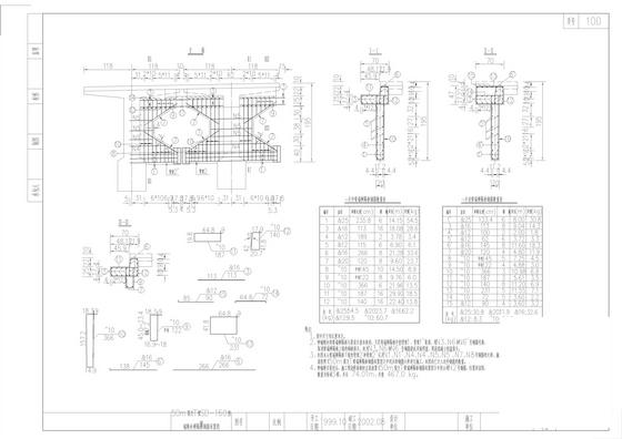
50米钢筋砼桥简支T梁全套竣工图纸,构造图
- 发布时间:2021-12-19
- 评论次数:0
- 浏览次数:0
- 文件大小:2.12 MB
- 收藏次数:0
-
文件名称:
附件-996008650077058865.zip
简支T梁布置图下载
- 35米简支T梁支座
- 简支T梁桥梁横断面布置图纸.
- 特大桥施工方案(简支T梁)
- 40米简支T梁支座构造CAD图纸
- 40米简支T梁设计CAD图纸
- 8x16m简支T梁桥加固设计cad_钢筋混凝土现浇简支T型梁
- 预应力25m简支T梁通用图纸(先简支后连续路基宽24.5).dwg
- 先简支后连续T梁盖梁钢筋构造节点CAD详图纸设计
- 先简支后连续T梁桩基系梁构造节点CAD详图纸设计
- 先简支后连续T梁梁端钢筋构造节点CAD详图纸设计
- 后张法简支T梁大桥边梁桥面板钢筋布置CAD图纸
- 简支T梁铁路桥单线梁及双线边梁节点大样CAD图纸
- 先简支后连续T梁下部构造图纸29张
- 16m装配式预应力混凝土简支T梁设计图纸
- CAD装配式钢筋混凝土简支T形梁课程设计
- 40米简支T梁(公路I级)设计CAD图纸
- 40米先简支后连续T梁模板设计CAD图纸
- 先简支后连续T梁伸缩缝构造节点CAD详图纸设计
- 先简支后连续T梁桥面排水构造节点CAD详图纸设计
- 简支T梁桥面连续缝加强钢筋布置大样CAD图纸
全部评论
评论网友评论仅友表达个人看法,并不表明本站同意其观点,不得发布违反法律法规的内容!
