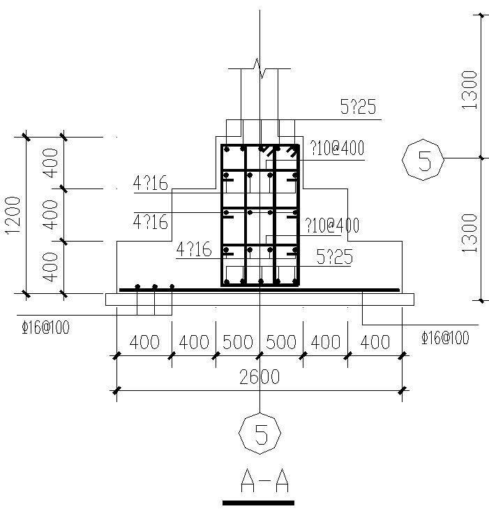
C25独立基础节点构造详图纸
- 发布时间:2021-12-16
- 评论次数:0
- 浏览次数:0
- 文件大小:0.13 MB
- 收藏次数:0
- 
								文件名称: 附件-996058599789077875.rar 附件-996058599789077875.rar
								相关下载
							
						- 柱下混凝土独立基础大样及基础表节点构造详施工图
- 独立基础节点构造详图纸
- 现浇独立基础节点构造详图纸
- 独立基础节点构造详图纸cad
- 独立基础节点构造详图纸cad
- 独立基础节点构造详图纸cad
- 独立基础节点构造详图纸cad
- 基础变阶示意独立基础节点构造详图纸
- 独立基础筏板基础节点构造CAD详图纸
- 桩基础节点构造CAD详大样图
- 基础梁防水构造详cad图纸
- 钢结构厂房独立基础施工节点构造详图纸
- 现浇独立基础节点构造设计详图纸
- 1600X2000独立基础节点构造详图纸
- 旗杆独立基础节点构造详细设计CAD图纸
- 柱下独立基础节点构造详细设计CAD图纸
- 独立基础节点构造详细设计CAD图纸
- 柱下独立基础节点构造详细设计CAD图纸
- 厂房独立基础节点构造详图纸cad
- 碎煤楼独立基础节点构造详图纸cad
全部评论
						
							评论网友评论仅友表达个人看法,并不表明本站同意其观点,不得发布违反法律法规的内容!
						
						
 
	              	 
	              	 
	              	