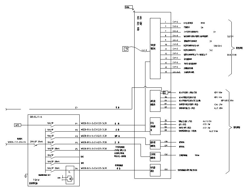
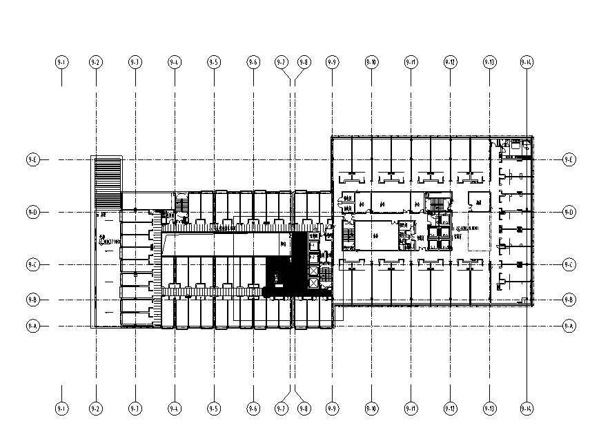
CM酒店客房控制系统施工图纸
- 发布时间:2021-12-11
- 评论次数:0
- 浏览次数:0
- 文件大小:12.81 MB
- 收藏次数:0
- 
								文件名称: 附件-996099567687596887.zip 附件-996099567687596887.zip
								酒店客房控制系统下载
							
						- 酒店客房智能控制系统CAD图纸
- 酒店客房控制系统CAD施工图纸
- 74cm和99cm宽盖板钢筋节点构造详图纸
- 进水闸带D130cm×600cm涵管桥结构CAD图纸
- II级公路钢筋混凝土盖板涵CAD施工图纸23张(板宽99cm74cm).dwg
- 城市景观桥施工图纸设计(钢管拱桥公路-II级全宽700cm,净宽640cm).dwg
- 17层酒店客房电气施工图纸
- 酒店客房空调平面CAD施工图纸
- 市政道路人行道铺装大样CAD图纸(10cm×20cm黄色人行道砖)
- 市政道路盲沟CAD图纸(上宽80cm底宽40cm间距20米)
- 酒店客房电气CAD图纸(照明设计)
- 酒店客房电气CAD图纸(dwg)
- 酒店客房空调平面CAD图纸
- 酒店客房电气设计图纸.dwg
- 16CM厚水泥稳定碎石层施工方案(工程)
- 华夏大酒店客房电气平面
- 酒店客房电气设计.dwg
- 99cm宽盖板钢筋节点构造设计详图纸
- 隧道Φ40cm中心沟排水管设计方案设计CAD图纸
- 市政道路50cm机非隔离带花坛设计CAD图纸
全部评论
						
							评论网友评论仅友表达个人看法,并不表明本站同意其观点,不得发布违反法律法规的内容!
						
						
 
	              	 
	              	 
	              	