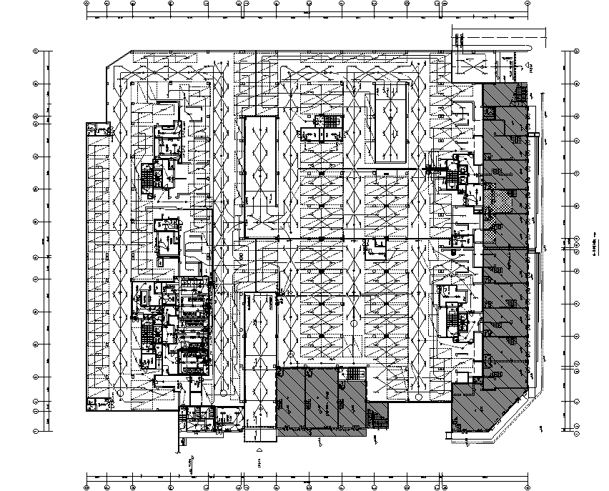
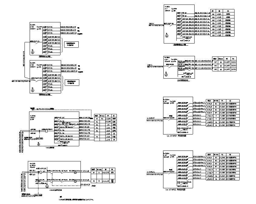
32层商业住宅小区电气施工图纸
- 发布时间:2021-12-11
- 评论次数:0
- 浏览次数:0
- 文件大小:17.59 MB
- 收藏次数:0
-
文件名称:
附件-996095099058870086.rar
商业小区电气下载
- 住宅小区商业楼电气设计CAD施工图纸(火灾自动报警)
- 2层商业区电气CAD施工图纸(某住宅小区)
- 住宅小区电气施工全图纸
- 3层住宅小区商业楼电气CAD施工图纸(TN-C-S)
- 住宅小区电气弱电外网图纸
- 住宅小区电气外网CAD图纸
- 住宅小区照明电气CAD图纸
- 住宅小区景观电气CAD图纸
- 住宅小区地下车库电气施工图纸
- 住宅小区地下室电气施工图纸
- 住宅小区景观电气施工图纸
- 住宅小区带地库电气施工图纸
- 住宅小区电气CAD施工图纸
- 高层住宅小区电气CAD施工图纸
- 6层住宅小区电气CAD施工图纸
- 5层住宅小区电气CAD施工图纸
- 高层住宅小区电气CAD施工图纸
- 6层住宅小区电气CAD施工图纸
- 6层住宅小区电气CAD施工图纸
- 6层住宅小区电气CAD施工图纸()
全部评论
评论网友评论仅友表达个人看法,并不表明本站同意其观点,不得发布违反法律法规的内容!
