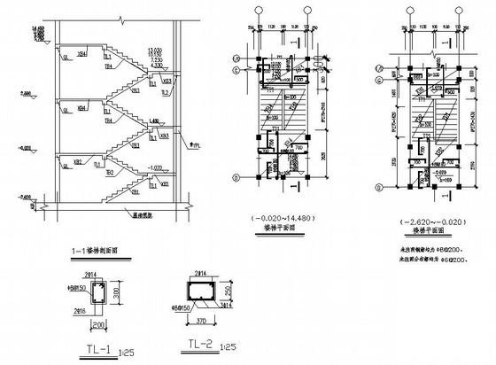
楼梯节点详图纸cad
- 发布时间:2024-01-02
- 评论次数:0
- 浏览次数:0
- 文件大小:1.55 MB
- 收藏次数:0
-
文件名称:
附件-996058896775595077.rar
相关下载
- 楼梯结构详施工图纸cad节点详图
- 钢结构加建楼梯节点详大样图
- 钢结构楼梯节点CAD详大样图
- 楼梯大样及梯板表节点构造详施工图纸
- 钢结构直跑楼梯节点构造详建筑设计CAD图纸(膨胀螺栓)
- 厂房上吊车梁钢楼梯节点CAD详施工图纸.dwg
- 基地钢结构楼梯节点构造CAD详大样图.dwg
- 室外新增钢框架楼梯平法节点构造CAD详大样图
- 户外楼梯CAD详大样图
- 结构节点构造详施工图纸
- 山亭楼梯-梁式楼梯节点构造CAD详图纸
- 楼梯节点构造详图纸
- 楼梯节点详图纸cad
- 楼梯节点详图纸cad
- 楼梯节点详图纸cad
- 楼梯节点详图纸cad
- 楼梯节点详图纸cad
- 楼梯节点详图纸cad
- 楼梯节点详图纸cad
- 楼梯节点详图纸cad
全部评论
评论网友评论仅友表达个人看法,并不表明本站同意其观点,不得发布违反法律法规的内容!
