26层商业楼空调机房施工图纸

  • 设计详细说明:有
  • 建筑类别:办公,商业,餐饮
  • 建筑高度类型:高层建筑
  • 建筑设计面积:83105平方米
  • 建筑地上层数:26层
  • 建筑地下层数:2层
  • 图纸设计深度:施工图
  • 参考图纸:6张
  • 设计年代:近代
  • 设计内容:机房,其它
  • 冷热源:水地源热泵
  • 空调系统:全空气系统
  • 水系统:单式泵,变流量,双管制,同程式,异程式
  • 项目所在地:山西

附件详情

  • 设计施工说明
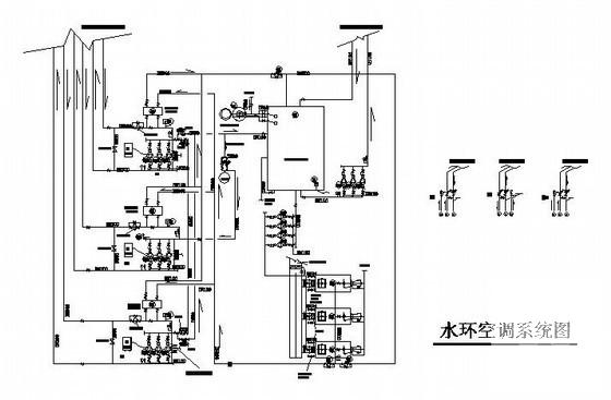
  • 水环空调系统图
  • 空调机房管道平面图
  • 空调机房供电配置图表
  • 水环空调控制系统图
  • B、C区水环空调控制系统图

附件详情

该项目为山西省太原市某商业楼空调机房项目。工程总建筑设计面积:83105平米,地下二层,空调区域为地上C区5-26层,结构层高94.3m;B区5-15层,结构层高56.1m,A区1-6层,结构层高26m。A区:一、二层为分割商铺,一层层高5m,二层层高4.2m。三层用途为高档餐饮,层高4.2m。四层用途为健身娱乐,层高4.2m。六层用途为游泳会所,层高6m。B区:5-15标准层,用途为商务写字楼,层高3.5m。C区:5-26标准层,用途为商务写字楼,层高3.5m。
设计内容:空调机房,包括空调冷热源、空调水系统、空调风系统、新风系统、自控系统。
该项目采用水环热泵空调系统,夏季水环热泵空调机组向公共水环路排放冷凝热,其下季冷凝热由水源热泵热水机组提取热源提供给游泳池和健身洗浴使用,多余部分由闭式冷却塔排放。冬季公共水环路所需热源由负一层供热站统一提供。
夏季冷水:选用闭式冷却塔提供夏季冷却水,供回水温度为30-35℃,空调冷负荷A区为4225kw,B区冷负荷为1638kw,C区冷负荷为4001kw,总负荷为:9865kw。
冬季热源:选用燃天然气铸铁锅炉提供热源,供回水温度为21-16℃,冬季热负荷A区为4503kw,B区热负荷为1790kw,C区热负荷为4390kw。总负荷为:10683kw。
冬季供热:
一次侧: 缓冲水箱——循环泵——锅炉——分至三区换热器——缓冲水箱
二次侧:循环泵——板式换热器——空调机组——循环泵
自控系统:新风机组新风管上设电动密闭风阀,与风机联锁,并采取防冻保护措施。水环热泵空调机组(含新风机组)在回水管上设电动两通阀与机组连锁启停。冷却塔出水管上设温度传感器,根据出水温度控制冷却塔台数及风机的启停。每台空调机组都设有厂家提供的温度控制器,由业主自主控制空调的运行和启停。分区域设置水环控制器,以每层或32台为一个控制环,分送至PC主控,给信号致电控柜执行水泵、冷却塔运行。每台机组的供电由分户电表接入, 分户计量 。供热温度二次侧设温度传感器,控制器根据出水温度控制锅炉的运行......
设计年代:近代,图纸6张。

以下是附件的其中一部分截图,共4张,您也可以 搜索 更多您想要的资源
  • 机房施工图纸 - 1
    机房施工图纸 - 1
  • 机房施工图纸 - 2
    机房施工图纸 - 2
  • 机房施工图纸 - 3
    机房施工图纸 - 3
  • 机房施工图纸 - 4
    机房施工图纸 - 4
以上是部分截图,请下载附件后查看完整高清内容
网站首页  | 
本站所有内容均由网友自主分享,仅供学习和参考,如有侵权内容或者违法行为,请及时联系站长删除。