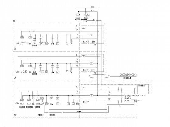
14659平米两层国际顶级豪车中心强电系统施工大样图
- 发布时间:2021-11-24
- 评论次数:0
- 浏览次数:0
- 文件大小:3.58 MB
- 收藏次数:0
- 
								文件名称: 附件-995856550987997967057.rar 附件-995856550987997967057.rar
								强电系统图下载
							
						- 2层国际顶级豪车中心强电系统CAD施工大样图(最新编制)(TN-S)
- 万豪国际会展大厦结构设计
- 大型国际大厦强电系统电气CAD施工图纸
- 洗浴中心强电CAD施工图纸(供配电系统)
- 售楼中心强电CAD施工图纸(综合布线系统)
- 两层国际会展中心电气施工图纸
- 国际物流中心弱电系统图纸(甲级院)
- 万豪国际会展大厦结构设计.pdf
- 国际五星级酒店强电系统CAD施工图纸
- 19层国际五星级酒店强电系统CAD施工图纸
- 19层国际五星级酒店强电系统CAD施工图纸
- 12000平米两层品牌汽车修理店强电系统施工大样图
- 国际商务大厦强电CAD施工图纸
- 两层会展中心弱电系统图纸
- 两层会所强电CAD图纸
- 2075平米两层职工篮球馆强电系统施工图纸
- 1420平米两层研发及设备用房强电系统施工图纸
- 地上两层钢筋混凝土结构连锁超市强电系统施工图纸
- 两层医院强电系统全套电气施工图纸
- 两层酒店强电CAD施工图纸(配电系统)
全部评论
						
							评论网友评论仅友表达个人看法,并不表明本站同意其观点,不得发布违反法律法规的内容!
						
						
 
	              	 
	              	 
	              	