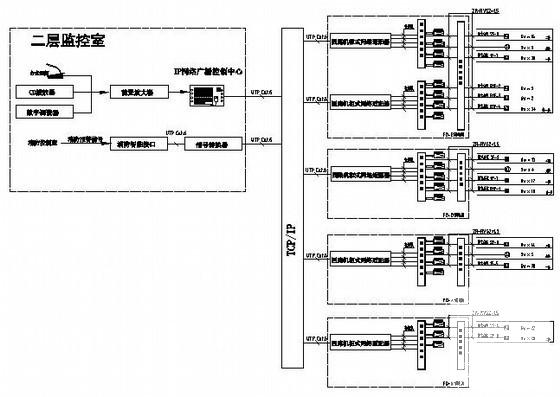
2层58821平米大型国际会议中心弱电系统施工图纸
- 发布时间:2021-11-23
- 评论次数:0
- 浏览次数:0
- 文件大小:0.64 MB
- 收藏次数:0
- 
								文件名称: 附件-995856587977670008075.rar 附件-995856587977670008075.rar
								国际会议中心下载
							
						- 2层大型国际会议中心弱电系统CAD施工图纸(dwg)(桩基础)
- 国际会议中心弱电施工图纸.
- 大型国际大厦强电系统电气CAD施工图纸
- 4层大型国际会议中心电气CAD施工图纸(电气节能).dwg
- 国际物流中心弱电系统图纸(甲级院)
- 国际温泉渡假会议中心规划总平面.dwg
- 6层会议中心综合楼强弱电系统CAD施工图纸
- 大型购物广场弱电系统施工图纸
- 大型酒店弱电系统CAD施工图纸
- 办公会议中心弱电CAD图纸
- 大型广场商业建筑弱电系统CAD图纸
- 大型商业小区弱电系统设计CAD图纸
- 大型办公楼弱电系统CAD图纸
- 32988平米4层国际会议中心空调通风施工图纸
- 3层海花岛国际会议中心电气施工图纸.
- 玄武湖国际大酒店3层会议中心建筑施工CAD图纸
- 大型厂区弱电系统电气设计CAD施工图纸(系统及平面图)
- 4层大型会议中心强电系统CAD施工图纸41张(TN-S)
- 国际客运站公共建筑弱电系统CAD施工图纸.dwg
- 24层大型国际商业广场给排水CAD施工图纸(室外消火栓系统)
全部评论
						
							评论网友评论仅友表达个人看法,并不表明本站同意其观点,不得发布违反法律法规的内容!
						
						
 
	              	 
	              	 
	              	