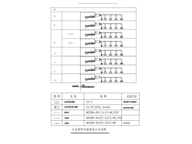
5层办公楼精装修电气施工图纸(2019)
- 发布时间:2021-12-09
- 评论次数:0
- 浏览次数:0
- 文件大小:5.82 MB
- 收藏次数:0
- 
								文件名称: 附件-996077980698658595.dwg 附件-996077980698658595.dwg
								办公楼电气施工下载
							
						- 2019年区域级审图纸要点-精装修类.
- 多层办公楼全套电气CAD施工图纸(2019)
- 2019阿克塞综合办公楼电气CAD施工图纸(电气节能)
- 国内办公大楼精装修电气施工图纸
- 国内动物园咖啡精装修电气CAD施工图纸
- 19层四星级酒店精装修电气CAD施工图纸
- 高层温泉度假酒店电气施工图纸(2019)
- 3层多层建筑电气施工图纸(2019)
- 多层商业楼电气施工图纸(2019)
- 大型地下车库电气施工图纸(2019)
- 高层工业厂房电气施工图纸(2019)
- 地下室电气施工图纸(2019)
- 饲料公司厂房电气施工图纸(2019)
- 3层小型附属用房电气施工图纸2019
- 办公室精装修弱电施工CAD图纸
- 多层办公楼采暖空调系统设计2019
- 多层办公楼空调及通风系统设计2019
- 五千平厂房电气施工大样图(2019)
- 公寓精装修给排水CAD图纸
- 4层甲级写字楼精装修强电系统CAD施工图纸(电气设计说明)()
全部评论
						
							评论网友评论仅友表达个人看法,并不表明本站同意其观点,不得发布违反法律法规的内容!
						
						
 
	              	 
	              	 
	              	 
	              	 
	              	