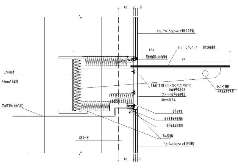
多种类幕墙通用节点大样施工方案图纸
- 发布时间:2021-12-06
- 评论次数:0
- 浏览次数:0
- 文件大小:4.03 MB
- 收藏次数:0
-
文件名称:
附件-996979085880989600.dwg
节点大样施工方案下载
- 石材幕墙通用节点大样图纸
- 山丘区抗旱能力提升工程CAD施工图纸(山坪塘种类多节点图纸多).dwg
- 铝扣板幕墙节点大样施工方案图纸
- 玻璃幕墙通用节点构造详细设计CAD图纸
- 玻璃幕墙通用节点构造CAD详图纸
- 道路工程交叉口竖向设计通用图纸(10种类型全面).dwg
- 幕墙避雷节点大样
- 住宅通用混凝土节点大样图纸
- 暖通_通用节点大样图纸CAD
- 道牙石通用节点大样CAD图纸
- 路基边坡防护通用CAD大样图(护面墙多排衬砌拱)
- 幕墙防雷节点大样图纸
- 金属幕墙型材节点大样图纸
- 公路涵洞通用CAD施工方案大样图
- 常用钢结构节点通用大样图纸
- 设计院通用节点详图纸大样图
- 檐口大样通用节点CAD详图纸集(10种)
- 通用36张建筑节点大样CAD图纸
- 隐框玻璃幕墙小单元节点大样施工方案图纸
- 各种类型加固CAD施工方案图纸合集(钢筋混凝土结构)
全部评论
评论网友评论仅友表达个人看法,并不表明本站同意其观点,不得发布违反法律法规的内容!
