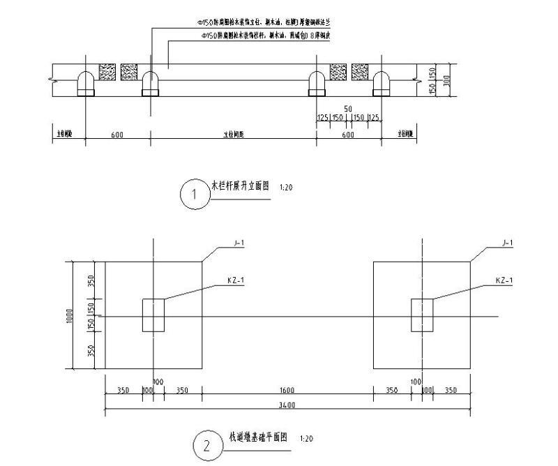
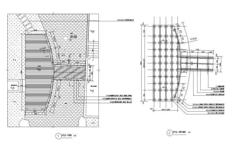
“塞纳湖畔”滨水木平台节点详图纸设计
- 发布时间:2021-12-06
- 评论次数:0
- 浏览次数:0
- 文件大小:0.34 MB
- 收藏次数:0
- 
								文件名称: 附件-996985876867509597.dwg 附件-996985876867509597.dwg
								相关下载
							
						全部评论
						
							评论网友评论仅友表达个人看法,并不表明本站同意其观点,不得发布违反法律法规的内容!
						
						 附件-996985876867509597.dwg
 附件-996985876867509597.dwg