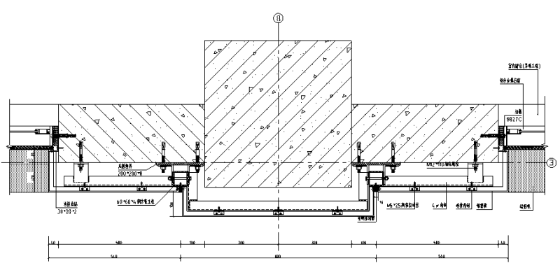
办公楼铝塑板明框玻璃幕墙施工方案大样图
- 发布时间:2021-12-06
- 评论次数:0
- 浏览次数:0
- 文件大小:4.48 MB
- 收藏次数:0
-
文件名称:
附件-996500996709985876.rar
框玻璃幕墙大样图下载
- 明框玻璃幕墙及铝塑板幕墙节点CAD详图纸2019.dwg
- 高层明框玻璃幕墙专项施工方案
- 多种明框玻璃幕墙节点大样图纸
- 明框玻璃幕墙CAD大样图
- 明框玻璃幕墙节点图纸
- 明框玻璃幕墙(幕墙防火,明框纵横剖等).dwg
- 明框玻璃幕墙节点大样施工详图纸
- 多种明框玻璃幕墙节点图纸
- 明框玻璃幕墙横向标准节点图纸2019
- 明框玻璃幕墙(五)CAD节点图纸
- 明框玻璃幕墙(十二)CAD节点图纸
- 明框玻璃幕墙(十一)CAD节点图纸
- 明框玻璃幕墙(六)CAD节点图纸
- 明框玻璃幕墙(四)CAD节点图纸
- 明框玻璃幕墙节点详细设计CAD图纸
- 明框玻璃幕墙防火CAD节点图纸
- 明框玻璃幕墙(十三)CAD节点图纸
- 明框玻璃幕墙(一)CAD节点图纸
- 明框玻璃幕墙CAD节点图纸
- 明框玻璃幕墙节点详细设计CAD图纸
全部评论
评论网友评论仅友表达个人看法,并不表明本站同意其观点,不得发布违反法律法规的内容!
