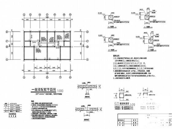
2层框架结构安置楼结构设计施工图纸
- 发布时间:2021-12-05
- 评论次数:0
- 浏览次数:0
- 文件大小:1.04 MB
- 收藏次数:0
-
文件名称:
附件-995887989509507875775.zip
框架结构设计图纸下载
- 地上2层框架结构安置楼结构设计施工图纸
- 6层框架结构安置楼房结构设计施工图纸
- 6层框架结构安置小区14#楼结构施工图纸
- 7层框架移民安置房框架结构设计说明
- 7层框架移民安置房框架结构设计说明.dwg
- 4层框架结构安置区商业楼结构施工大样图
- 4层框架结构安置房结构设计CAD施工图纸(梁配筋图)
- 3层框架结构安置房结构设计cad施工图和板配筋图
- 安置区住宅结构设计方案图纸
- 22层安置楼工程全套电气施工图纸
- 砌体安置房结构设计说明
- 框剪安置房结构设计说明
- 砌体安置房结构设计说明.dwg
- 6层框架结构安置小区结构施工图纸
- 两栋7层异形柱框架结构安置房结构施工图纸
- 地上6层框架结构安置楼房结构施工图纸
- 六栋6层框架结构安置楼房结构施工图纸
- 多层安置房混凝土框架结构施工方案图纸
- 一梯两户多层安置房框架结构施工方案图纸
- 5层框架结构安置房结构CAD施工图纸
全部评论
评论网友评论仅友表达个人看法,并不表明本站同意其观点,不得发布违反法律法规的内容!
