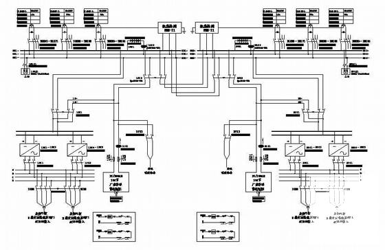
220KV变电站交直流一体化电源系统设计图纸
- 发布时间:2021-12-01
- 评论次数:0
- 浏览次数:0
- 文件大小:3.17 MB
- 收藏次数:0
- 
								文件名称: 附件-995857587775766890555.rar 附件-995857587775766890555.rar
								变电站直流系统下载
							
						- 220KV变电站交直流一体化电源系统CAD图纸
- 220KV变电站设计完全CAD图纸
- 220KV变电站建筑施工图纸
- 220KV变电站建筑施工CAD图纸
- 220KV变电站全套电气图纸.dwg
- 汉阳220KV变电站二次回路图纸演示系统
- 变电站小室照明及电源CAD图纸
- 电气工程类毕业设计方案(220KV变电站设计)
- 220kV变电站电气设计图纸
- 220KV变电站全套电气设计CAD施工图纸
- 220kV变电站电气设计CAD图纸
- 220kV降压变电站毕业设计方案论文(论文、CAD图纸)
- 220KV变电站工程施工组织设计
- 220KV变电站工程施工组织设计(配电装置)
- 变电站小室照明及电源设计CAD图纸.dwg
- 220Kv枢纽变电站主接线CAD图纸
- 220KV变电站一次主接线CAD图纸
- 220KV变电站各种设备基础图纸.dwg
- 220KV变电站PT接口屏原理图纸.dwg
- 220KV变电站及附属设施施工方案(消防水池)
全部评论
						
							评论网友评论仅友表达个人看法,并不表明本站同意其观点,不得发布违反法律法规的内容!
						
						
 
	              	 
	              	 
	              	