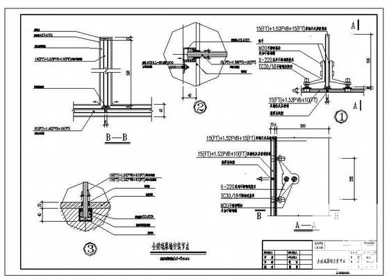
26米高文化广播电视大楼框架式幕墙设计图纸,含设计说明
- 发布时间:2021-11-30
- 评论次数:0
- 浏览次数:0
- 文件大小:2.86 MB
- 收藏次数:0
- 
								文件名称: 附件-995877759986776788887.rar 附件-995877759986776788887.rar
								幕墙设计图纸下载
							
						- 文化广播电视大楼幕墙CAD图纸
- 文化城全隐框幕墙设计计算书
- 14层框剪结构广播电视大楼给排水图纸.dwg
- 框架式幕墙系统标准图纸CAD
- 框剪大楼结构设计说明
- 框剪大楼结构设计说明.dwg
- 建筑幕墙工程组织设计(框架式幕墙铝板幕墙)
- 文化大楼室外空间设计_CAD
- 学校3层大楼电气设计图纸,含电气设计说明.dwg
- 宿舍给排水CAD施工图纸(高26米,4800人,含设计说明)
- 广播电视中心幕墙工程施工方案(玻璃幕墙、石材幕墙)
- 广播电视大楼给排水CAD图纸(设计施工说明)
- 长乐广播电视中心大楼结构设计.pdf
- 18层环保大楼幕墙CAD施工大样图(明框玻璃幕墙铝板幕墙)
- 部队文化中心幕墙图纸
- 5层广播电视大楼电气CAD施工图纸(部分水暖)
- 广播电视大楼给排水CAD图纸(室外消火栓用水量)
- 13层广播电视中心大楼电气CAD施工图纸
- 广播电视中心办公大楼电气CAD施工图纸
- 5层广播电视大楼全套电气CAD施工图纸(部分水暖)
全部评论
						
							评论网友评论仅友表达个人看法,并不表明本站同意其观点,不得发布违反法律法规的内容!
						
						
 
	              	 
	              	 
	              	