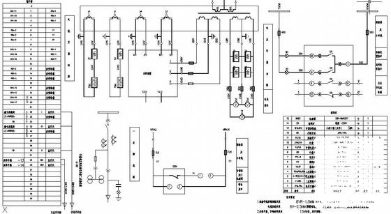
205846平米5层服装商城工程配电系统施工大样图
- 发布时间:2021-11-26
- 评论次数:0
- 浏览次数:0
- 文件大小:1.85 MB
- 收藏次数:0
- 
								文件名称: 附件-995856997789957875779.rar 附件-995856997789957875779.rar
								配电系统施工下载
							
						- 6层服装厂厂房电气CAD施工图纸(照明配电系统)
- 工程配电系统CAD图纸()
- 工程配电室配电系统CAD图纸
- 工程配电室配电系统设计CAD图纸.dwg
- 紫薇星服装车间工程
- 8层商城幕墙工程施工大样图.dwg
- 工程临时用电配电系统CAD图纸
- BAS配电系统楼宇自控系统CAD大样图纸
- 国际商城地热采暖设计施工大样图
- 生活基地工程配电系统施工图纸
- 车间宿舍工程电气CAD施工图纸(配电系统)
- 商城给排水系统CAD图纸
- 路灯工程照明控制箱配电系统CAD图纸
- 固体水工程配电CAD大样图
- 固体水工程配电设计CAD大样图.dwg
- 2层商城强弱电CAD施工大样图200张(给排水、通风排烟系统)
- 14层10KV配电工程施工大样图平面图及系统图
- 大型小区10KV变配电工程CAD施工图纸(系统图、大样图)
- 服装公司电气
- 商城自动喷淋系统,报警,防排烟系统成套cad图纸
全部评论
						
							评论网友评论仅友表达个人看法,并不表明本站同意其观点,不得发布违反法律法规的内容!
						
						
 
	              	 
	              	 
	              	