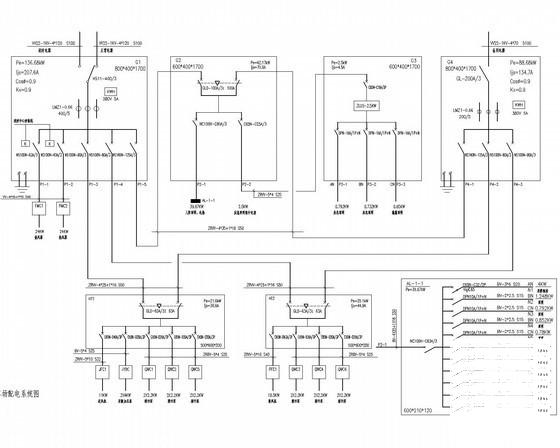
12层住宅楼强弱电施工图平面图
- 发布时间:2021-11-25
- 评论次数:0
- 浏览次数:0
- 文件大小:3.36 MB
- 收藏次数:0
- 
								文件名称: 附件-995855958097589500770.rar 附件-995855958097589500770.rar
								住宅楼弱电下载
							
						- 住宅楼弱电CAD图纸
- 住宅楼弱电设计CAD图纸,含弱电设计.dwg
- 住宅楼强弱电CAD施工图纸
- 多层住宅楼强弱电设计CAD图纸
- 住宅楼标准层弱电系统平面CAD图纸
- 住宅楼弱电平面CAD施工图纸
- 住宅楼强弱电CAD施工图纸
- 住宅楼5层单元强弱电设计
- 3层住宅楼弱电CAD施工图纸
- 多层住宅楼强弱电设计CAD图纸
- 多层住宅楼强弱电设计CAD图纸
- 国内住宅楼强电与弱电系统CAD图纸
- 住宅楼强弱电平面图纸.
- 住宅楼1层弱电进线布置图纸.
- 地上3层高端别墅住宅楼弱电智能系统施工图纸
- 6层住宅楼区强弱电施工图纸(三级负荷)
- 11层普通住宅楼建筑强弱电施工图纸
- 5层综合住宅楼小区强弱电施工图纸
- 41587平米18层住宅楼弱电智能化项目施工图纸
- 4900000平米33层大型住宅楼小区全套弱电施工图纸
全部评论
						
							评论网友评论仅友表达个人看法,并不表明本站同意其观点,不得发布违反法律法规的内容!
						
						
 
	              	 
	              	 
	              	