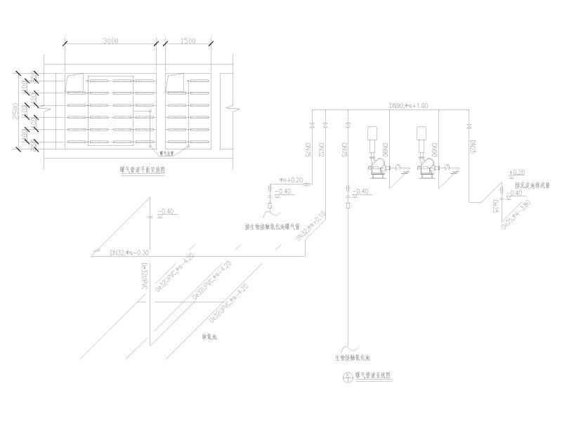
生活污水处理工程给排水施工图纸管道系统图
- 发布时间:2022-02-20
- 评论次数:0
- 浏览次数:0
- 文件大小:0.64 MB
- 收藏次数:0
- 
								文件名称: 附件-996805099058959557.dwg 附件-996805099058959557.dwg
								生活污水处理系统图下载
							
						- 2000吨SBR法生活污水处理系统CAD施工图纸
- 生活污水装置电气原理CAD图纸
- 生活污水装置电气原理CAD图纸
- 800吨生活污水SBR池图纸
- 县人民医院污水处理全套设计cad图纸_污水处理系统
- 农村生活污水常用构造物节点详图纸
- 生活污水处理SBR池CAD图纸
- 工程生活污水处理设计CAD图纸.dwg
- 公司生活污水处理设计图纸.dwg
- 奥林匹克公园网球中心MBR污水处理系统投标图纸
- 体育馆网球中心污水处理系统CAD图纸
- 电厂污水处理系统土建及安装施工组织设计
- 生活污水处理工程结构设计施工大样图
- CAD施工图农村生活污水处理工程
- 花园小区生活污水处理流程、CAD平面图
- 生活污水处理工程结构CAD施工大样图
- 厂房废气处理系统设计大样图.dwg
- 奥林匹克公园网球中心MBR污水处理系统CAD施工图纸
- 污水厂工艺流程图纸及平面布置设计CAD施工图纸(水处理系统)
- 别墅生活污水处理成套大样图(日处理360立方).dwg
全部评论
						
							评论网友评论仅友表达个人看法,并不表明本站同意其观点,不得发布违反法律法规的内容!
						
						
 
	              	 
	              	