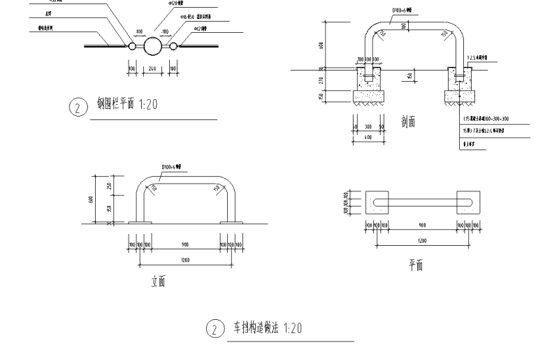
钢围栏做法节点详图纸平面图及大样图,立面图
- 发布时间:2022-02-20
- 评论次数:0
- 浏览次数:0
- 文件大小:0.13 MB
- 收藏次数:0
-
文件名称:
附件-996579098889067959.dwg
相关下载
- 庭院围栏详图纸设计平面图及大样图,立面图
- 小区景观台施工图纸平面图及立面图节点做法
- 花架做法详图纸立面图及平面图,节点图,剖面图
- 车行桥做法节点大样平面图及立面图,剖面图
- 玻璃-不锈钢栏杆节点详图纸平面图及大样图,立面图
- 标准坐墙做法大样图纸平面图及剖面图,立面图
- 石屏做法详图纸平面图及立面图,剖面图
- 水晶亭详细做法施工图纸平面图及立面图
- 热带风格标志墙做法详图纸平面图及立面图
- 铁艺栏杆节点详图纸平面图及大样图,立面图
- 湿地公园内木桥做法大样平面图及立面图,剖面图
- 特色喷水雕塑做法大样平面图及立面图,剖面图
- 特色水景做法大样详图平面图及立面图,剖面图
- 钢支撑及钢围檩结构CAD详大样图
- 特色入口跌水池做法详大样图设计
- 坐凳树池做法详大样图设计
- 现代风格水池做法详大样图设计
- 特色花池坐凳做法详大样图设计
- 廊架施工做法CAD详大样图
- 溪涧施工做法CAD详大样图
全部评论
评论网友评论仅友表达个人看法,并不表明本站同意其观点,不得发布违反法律法规的内容!
