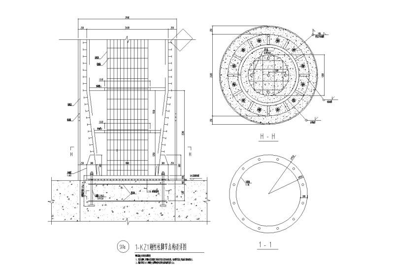
刚性柱脚节点构造详图纸钢管混凝土柱节点图
- 发布时间:2022-02-20
- 评论次数:0
- 浏览次数:0
- 文件大小:2.94 MB
- 收藏次数:0
-
文件名称:
附件-996579705997879987.dwg
刚性柱脚构造图下载
- 刚性柱脚节点构造CAD详图纸
- 外包式刚性柱脚构造详细设计CAD图纸
- 埋入式刚性柱脚节点构造详细设计CAD图纸
- 埋入式刚性柱脚构造CAD详图纸
- 外包式刚性柱脚节点构造CAD详图纸
- 外包式刚性柱脚构造节点CAD详图纸
- 埋入式刚性柱脚节点构造CAD详图纸
- 埋入式刚性柱脚节点构造CAD详图纸
- 外包式刚性柱脚节点构造CAD详图纸
- 外包式刚性柱脚构造CAD详图纸
- 埋入式刚性柱脚构造CAD详图纸
- 箱形截面柱刚性柱脚构造CAD详图纸
- 外包式刚性柱脚节点构造CAD详图纸
- 埋入式刚性柱脚节点构造CAD详图纸
- 埋入式刚性柱脚节点构造CAD详图纸
- 刚性柱脚节点构造CAD详图纸.dwg
- 埋入式刚性柱脚构造节点详图纸cad
- 钢混柱外包式刚性柱脚节点构造CAD详图纸
- 箱形截面柱刚性柱脚节点构造CAD详图纸
- 工字形截面柱的刚性柱脚节点构造CAD详图纸
全部评论
评论网友评论仅友表达个人看法,并不表明本站同意其观点,不得发布违反法律法规的内容!
