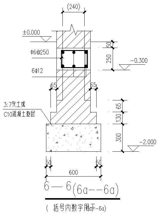
砖砌大放脚条基600节点构造详图纸
- 发布时间:2022-02-20
- 评论次数:0
- 浏览次数:0
- 文件大小:0.02 MB
- 收藏次数:0
-
文件名称:
附件-996058550597708909.rar
砖砌大放脚条构造图下载
- 砖砌大放脚条基800节点构造详图纸
- 浆砌条料石重力坝设计CAD图纸
- 砖砌污水格栅井(构造CAD详图)
- 砖砌化粪池节点构造详细设计CAD图纸
- 砖砌挡土墙节点构造CAD详图纸
- 砖砌化粪池节点构造CAD详图纸
- 混凝土外墙构造、条砖构造层次(DBJ15-19-97)
- 混凝土外墙构造CAD图纸、条砖构造层次CAD图纸
- 砖砌污水检查井
- 砖砌烟囱施工方案
- 砖砌标牌CAD施工图纸
- 砖砌塑山结构CAD图纸
- 一套浆砌条料石重力坝设计CAD图纸
- 空心砖砌筑消防池节点构造设计详图
- 陶粒空心砖砌筑拉结筋节点构造详图
- 砖砌污水检查井配筋节点构造详细设计CAD图纸
- 砖砌挡土墙大样节点构造详细设计CAD图纸
- 低造价砖砌蓄水池节点构造详细设计CAD图纸
- 砖砌方形排水检查井底板配筋节点构造详细设计CAD图纸
- 阶梯式砖砌跌水井结构节点构造CAD详图纸
全部评论
评论网友评论仅友表达个人看法,并不表明本站同意其观点,不得发布违反法律法规的内容!
