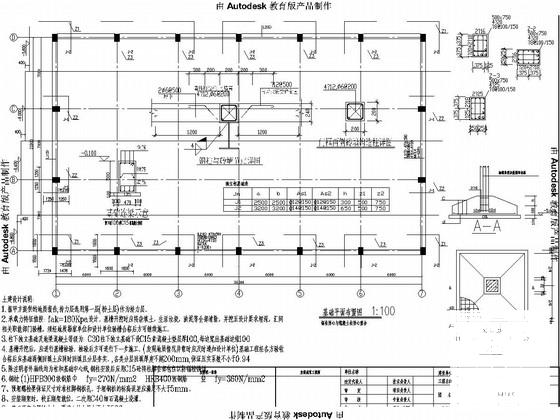
1层排架结构及钢结构体育馆结构施工图纸
- 发布时间:2021-11-23
- 评论次数:0
- 浏览次数:0
- 文件大小:1.37 MB
- 收藏次数:0
-
文件名称:
附件-995878057590805986768.rar
体育馆结构施工图下载
- 钢结构排架厂房施工方案
- 钢排架仓库(钢结构节点大样)
- 单层钢结构排架结构工业厂房结构CAD施工图纸
- 钢混框排架混凝土结构设计说明及钢结构设计说明
- 钢混框排架混凝土结构设计说明及钢结构设计说明.dwg
- 体育馆钢结构深化设计图纸
- 会展中心钢结构施工图纸(排架结构,共22张)
- 18米跨单层钢结构排架厂房结构CAD施工图纸(建施)
- 两座钢结构排架厂房结构CAD施工图纸()
- 24米跨排架钢结构厂房结构CAD施工图纸(5吨行车)
- 24米两跨钢结构排架结构CAD施工图纸(基础平面图)
- 单层排架钢结构厂房结构CAD施工图纸(平面布置图)
- 2层钢结构排架厂房结构CAD施工方案图纸(建筑水电)
- 24米两跨钢结构排架结构CAD施工方案图纸
- 钢结构排架柱厂房结构施工方案图纸(CAD)
- 大学体育馆钢结构深化设计
- 2层钢结构排架厂房结构施工方案大样图
- 弦支穹顶结构体育馆屋盖钢结构CAD施工图纸
- 排架结构单层厂房结构设计CAD图纸(砌体结构,钢筋混凝土结构,钢结构)
- 排架车间改办公楼钢结构加固施工方案图纸
全部评论
评论网友评论仅友表达个人看法,并不表明本站同意其观点,不得发布违反法律法规的内容!
