钢结构拼接焊接节点大样图纸
- 发布时间:2021-12-08
- 评论次数:0
- 浏览次数:0
- 文件大小:0.11 MB
- 收藏次数:0
- 
								文件名称: 附件-996995867789978767.rar 附件-996995867789978767.rar
								钢结构节点大样图下载
							
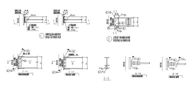
						- 钢梁拼接焊接节点构造详细设计CAD图纸
- 钢梁拼接焊接节点构造详细设计CAD图纸
- 钢结构焊接箱型柱拼接节点构造详细设计CAD图纸
- H型钢梁高强螺栓加焊接拼接节点构造详细设计CAD图纸
- 钢结构拼接节点高强螺栓设计探讨
- 标准焊接大样表
- 柱拼接及钢箱梁拼接大样
- 焊接节点构造CAD详图纸
- 钢结构高层节点详细设计CAD图纸之柱工地拼接及设置构造
- 钢结构水箱结构节点构造详细设计CAD图纸(高频焊接)
- 钢结构水箱结构节点构造详细设计CAD图纸(高频焊接)
- H型钢梁工地拼接大样
- 钢结构节点大样
- CAD30m焊接钢屋架课程设计(节点大样)
- Z350拼接节点构造CAD详图纸
- Z300拼接节点构造CAD详图纸
- Z250拼接节点构造CAD详图纸
- Z200拼接节点构造CAD详图纸
- 钢框架拼接节点构造CAD详图纸
- 500梁拼接节点构造CAD详图纸
全部评论
						
							评论网友评论仅友表达个人看法,并不表明本站同意其观点,不得发布违反法律法规的内容!
						
						
 
	              	 
	              	