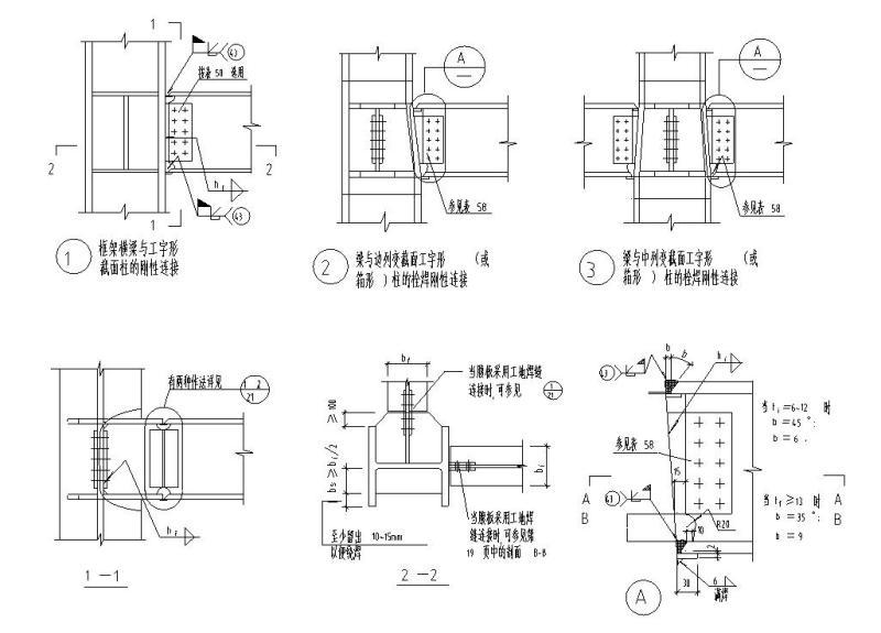
不带牛腿钢结构梁柱节点大样图纸
- 发布时间:2021-12-08
- 评论次数:0
- 浏览次数:0
- 文件大小:0.12 MB
- 收藏次数:0
-
文件名称:
附件-996998899700988790.rar
钢结构梁柱节点下载
- 带牛腿钢结构梁柱节点大样图纸
- 院钢管混凝土柱C型梁柱节点牛腿大样CAD图纸
- 钢管混凝土柱C型梁柱节点牛腿大样CAD图纸
- 钢管混凝土柱C型梁柱牛腿大样节点构造CAD详图纸
- 钢结构节点详细设计CAD图纸之牛腿
- 牛腿天沟大样节点构造详图纸
- 牛腿大样节点构造CAD详图纸
- 牛腿设计大样节点构造CAD详图纸
- 牛腿设计大样节点构造CAD详图纸(三)
- 牛腿设计大样节点构造CAD详图纸(二)
- 牛腿设计大样节点构造CAD详图纸(一)
- 牛腿设计大样节点构造CAD详图纸
- 牛腿节点构造CAD详图纸
- 刚架牛腿节点CAD详图纸
- 牛腿节点构造CAD详图纸
- 钢牛腿节点构造图纸集
- 牛腿加固节点CAD详图纸
- 框架牛腿节点详图纸cad
- 框架牛腿大样CAD图纸
- 钢结构节点构造设计详图,柱脚,牛腿,刚架檐口节点图
全部评论
评论网友评论仅友表达个人看法,并不表明本站同意其观点,不得发布违反法律法规的内容!
